polarj sapkota

portfolio.

details

Optimization

Optimization

  • F1 game performance optimization
  • NPN-BJT VBE optimization
  • Ackermann gain & observer design
  • Switching-noise redux power elec
  • MIMO channel power optimization
  • Root variation as a f(R,L,C)
Lighting Design

Lighting Design

  • RGB Themed Gallery
  • Lighting intervention – Basantapur
  • KU ring road lighting case study
Power Electronics

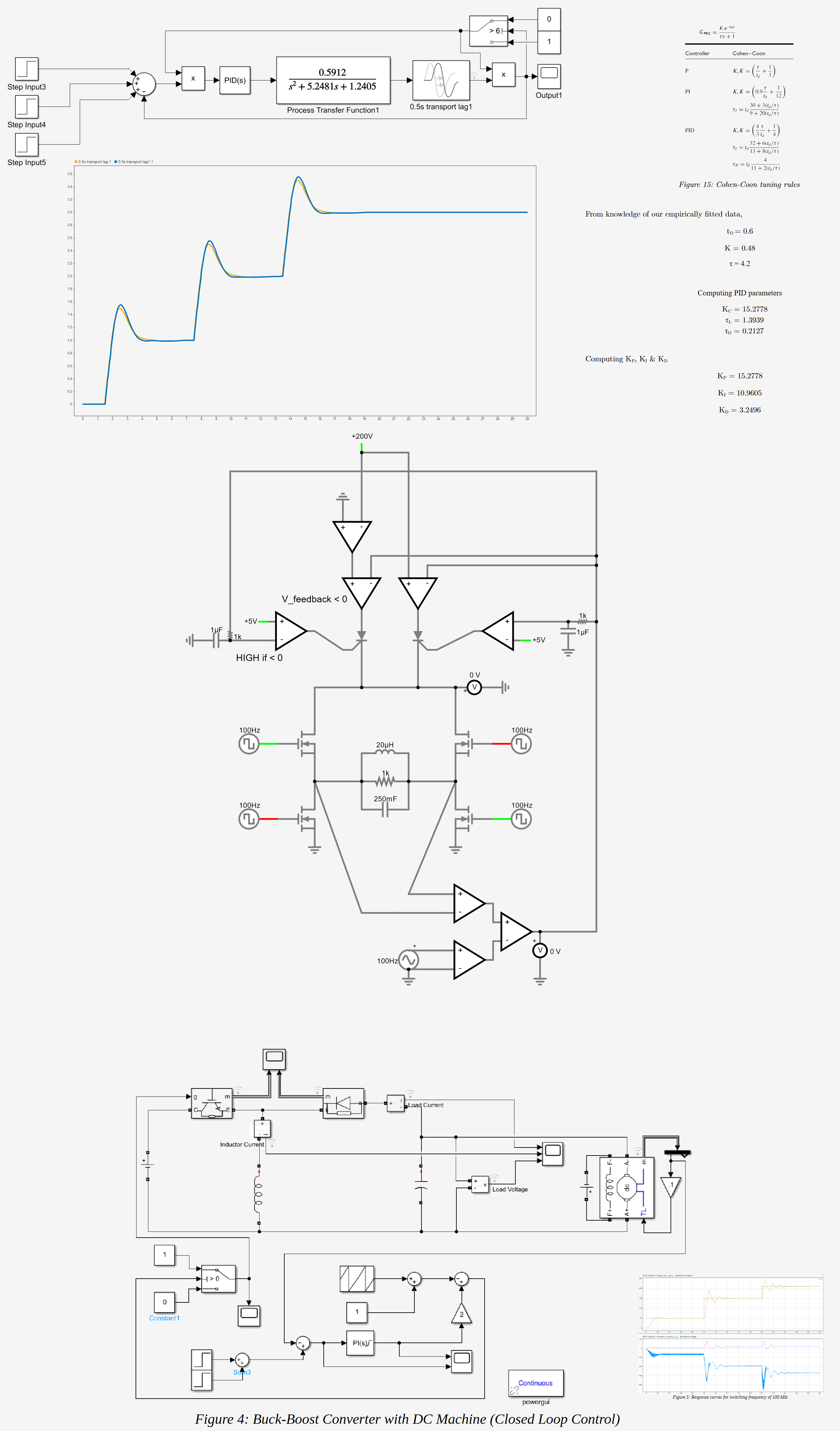
Power Electronics

Power Systems

Power Systems

  • Overcurrent protection design
  • Detailed transmission line design
  • Detailed switchgear design
  • Detailed grounding design
Power Systems Analysis

Power Systems Analysis

Industrial Project Management

Industrial Project Management

Concepts

Concepts

  • Under-sampling algorithm for channel data recovery
  • Image reconstruction from radiated emissions